產品概述/ zhongke
一、產品概述
1、 LDP型電動單梁起重機屬于超低凈空輕小型起重機,電動葫蘆位于主梁一側,增加了吊鉤的服務空間,可以降低廠房高度與造價。
2、 該產品因具有小車輪距大、運行平穩、結構緊湊、剛性好、操作靈敏、噪音低、安全可靠、造型美觀等優點,廣泛用于工作環境溫度在-25-40℃,車間廠房凈空高度又較低的場所。
3、 該產品與CD、MD型電動葫蘆配套使用,其額定載荷3t-10t,跨度7.5m-22.5m,工作級別為A3、A4,起升高度6-12m,操作方式主要是地面操縱方式(地操、遙控操作、地+遙操作)。
4、 公司可根據用戶需求進行非標設計。
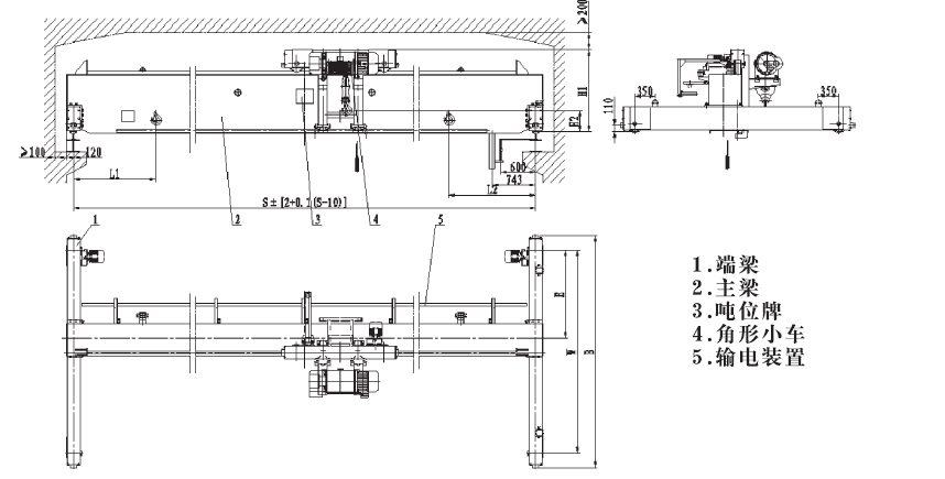
二、產品簡圖





中科重工成功案例
注起重設備定制就解決方案提供商
起重設備定制解決方案提供商
注起重設備定制就解決方案提供商
全天候服務
現場安裝指導
免費技術培訓
終身維修服務
中科重工實力看得見
注起重設備定制就解決方案提供商
公司創建于2017年,注冊資金1.16億元,各廠區總計占地面積近50000㎡,現有員工200余人

公司配備現代化生產車間,年生產能力可達上萬臺
眾多實力客戶的選擇
注起重設備定制就解決方案提供商
推薦產品/ recommend
相關新聞/ Related news
返回頂部
在線客服
掃一掃 關注我們
掃一掃 關注我們